电话:400-188-1986

产品

摆线马达GT系列

PDF文档下载

国瑞液压目前开发了GP,GR,GH,GS,GT,GV,GGM系列摆线马达,其GV系列摆线液压马达是一种的平面配流结构液压马达。该系列马达使用镶柱式转定子付,具有工作压力较高,工作效率较高,整机保持性好,工作寿命较长的特点。可在标准结构的基础上根据用户需求进行多功能的变型设计。

  • 采用的转定子参数设计,启动压力低,效率较高并保持性好。
  • 工作压力高,输出扭矩大。采用圆锥滚子轴承结构,承受轴、径向负荷能力强,使马达可直接驱动工作机构,使用范围扩大。
  • 平面配流结构,使马达配流精度较高,磨损后自动补偿能力强,确保较高的容积效率、马达较长寿命,确保马达转速平稳、负载速度特性平稳

技术参数

类型 GT160 GT200 GT250 GT315
排量 (cm3/rev) 161,1[9.83] 201,4[12.29] 251,8[15.36] 326,3[19.90]
最高转速(RPM) 连续 622 620 496 382
断续 775 752 601 461
最大扭矩(daNm) 连续 47[4160] 59[5220] 73[6460] [95[8410]
断续 56[4960] 71[6285] 88[7790] 114[10090]
峰值 66[5840] 82[7260] 102[9030] 133[11770]
最大功率(kW) 连续 26,5[36] 33,5[45] 33,5[45] 33,5[45]
断续 32[43] 40[54] 40[54] 40[54]
连续 200[2900] 200[2900] 200[2900] 200[2900]
最大压力降 断续 240[3480] 240[3480] 240[3480] 240[3480]
(bar) 峰值 280[4050] 280[4050] 280[4050] 280[4050]
最大流量(lpm) 连续 100[26] 125[33] 125[33] 125[33]
断续 125[33] 150[39.6] 150[39.6] 150[39.6]
最大进油压力(bar) 连续 210[3050] 210[3050] 210[3050] 210[3050]
断续 250[3600] 250[3600] 250[3600] 250[3600]
峰值 300[4350] 300[4350] 300[4350] 300[4350]
最大泄油口回油压力(bar) 连续 140[2030] 140[2030] 140[2030] 140[2000]
断续 175[2540] 175[2540] 175[2540] 175[2500]
峰值 210[3050] 210[3050] 210[3050] 210[3000]
最大开启压力无径向载荷(bar) 10[150] 10[150] 10[150] 10[150]
最小开启扭矩(daNm) 最大压力降 连续 34[3010] 43[3800] 53[4690] 74[6550]
最大压力降 断续 41[3630] 52[4600] 63[5580] 89[7880]
最低转速(RPM) 10 9 8 7
重量(kg) GT 20[44.1] 21,5[47.4] 21[46.3] 22[48.5]
后油口+0,40 GTS 15[33.1] 15,5[34.2] 16[35.3] 17[37.5]
类型 GT400 GT500 GT630 GT725
排量 (cm3/rev) 410,9[25.06] 523,6[31.95] 631,2[38.52] 724,3[44.2]
最高转速(RPM) 连续 304 238 197 172
断续 368 289 234 209
最大扭矩(daNm) 连续 108[9560] 122[10800] 130[11500] 127[11240]
断续 126[11150] 137[12125] 148[13100] 147[13010]
峰值 144[12745] 160[14160] 176[15580] 175[15490]
最大功率(kW) 连续 30[40] 26,5[36] 24,3[33] 20,2[27]
断续 35[47] 30[40] 27,5[37] 26,8[36]
最大压力降(bar) 连续 180[2610] 160[2320] 140[2010] 120[1740]
断续 210[3050] 180[2610] 160[2320] 140[2010]
峰值 240[3480] 210[3050] 190[2760] 165[2395]
最大流量(lpm) 连续 125[33] 125[33] 125[33] 125[33]
断续 150[39.6] 150[39.6] 150[39.6] 150[39.6]
连续 210[3050] 210[3050] 210[3600] 210[3050]
最大进油压力 断续 250[3600] 250[3600] 250[4350] 250[3600]
(bar) 峰值 300[4350] 300[4350] 300[2000] 300[4350]
最大泄油口回油压力(bar) 连续 140[2000] 140[2000] 140[2500] 140[2000]
断续 175[2500] 175[2500] 175[3000] 175[2500]
峰值 210[3000] 210[3000] 210[3000] 210[3000]
最大开启压力无径向载荷(bar) 10[150] 10[150] 10[150] 10[150]
最小开启扭矩(daNm) 最大压力降 连续 84[7435] 95[8410] 95[8410] 95[8410]
最大压力降 断续 97[8585] 106[9380] 110[9740] 115[10180]
最低转速(RPM) 6 5 5 5
重量(kg) GT 23[50.7] 24[52.9] 23,5[51.8] 24,5[54.0]
后油口+0,40 GTS 18[39.7] 19[41.9] 18,5[40.8] 19,5[43.0]

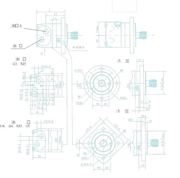
产品外形

国瑞液压GT系列摆线马达,广泛应用在金属加工机械、纺织机、农用机械、铺路机、开矿业、食品工业。

应用领域

相关产品

国瑞液压,设计制造高品质液压元件,提供系统解决方案。

在线留言

敬请填写以下信息,我们的服务团队将在24小时内,为您提供一对一专业服务。