电话:400-188-1986

产品

摆线马达GH系列

PDF文档下载

国瑞液压目前开发了GP,GR,GH,GS,GT,GV,GGM系列摆线马达,其中GH系列摆线液压马达是一种微型轴配流马达,能够在很小的空间安装使用。

  • 采用整体式转定子付,功率密度大
  • 效率较高、转速较高、使用寿命较长
  • 轴密封承压较高,可串、并联使用
  • 恒温无尘车间,较高精度零件加工

技术参数

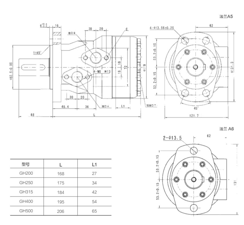
类型 GH200 GH250 GH315 GH400 GH500
排量 cm3/rev[in3/rev] 201,3[12.3] 252[15.4] 314,9[19.2] 396,8[24.2] 502,4[30.7]
最高转速[RPM] 连续 370 295 235 185 150
断续 445 350 285 225 180
最大扭矩daNm[lb-in] 连续 51[4510] 61[5398] 74[6548] 84[7434] 82[7257]
断续 58[5130] 70[6195] 82[7257] 98[8673] 104[9204]
峰值 64[5064] 79[6992] 98[8673] 109[9647] 117[10350]
最大功率kW[HP] 连续 16[21] 16[21] 14[18.7] 12,5[16.7] 11[14.7]
断续 18,5[24.8] 18,5[24.8] 15,5[20.7] 15[20.1] 14[18.7]
最大压力降bar[PSI] 连续 175[2540] 175[2540] 175[2540] 155[2240] 125[1810]
断续 200[2900] 200[2900] 200[2900] 190[2750] 160[2320]
峰值 225[3260] 225[3260] 225[3260] 210[3045] 180[2610]
最大流量lpm[GPM] 连续 75[19.81] 75[19.81] 75[19.81] 75[19.81] 75[19.81]
断续 90[23.78] 90[23.78] 90[23.78] 90[23.78] 90[23.78]
最大进油压力bar[PSI] 连续 200[2900] 200[2900] 200[2900] 200[2900] 200[2900]
断续 225[3260] 225[3260] 225[3260] 225[3260] 225[3260]
峰值 250[3626] 250[3626] 250[3626] 250[3626] 250[3626]
最大开启压力无径向载荷[bar PSI] 5[72] 5[72] 5[72] 5[72] 5[72]
最小开启扭矩 daNm[lb-in] 最大压力降 连续 39[3450] 52[4600] 66[5840] 72[6370] 72[6370]
 最大压力降 断续 45[3980] 59[5221] 73[6460] 88[7788] 88[7788]
最低转速 [RPM] 10 10 8 5 5
重量 [kg lb] 后油口+0,650[1.433] 10,5[23.2] 11[24.3] 11,5[25.4] 12,3[27.1] 13[28.7]

产品外形

应用领域

国瑞液压GH系列摆线马达,广泛用于输送机、纺织机械、矿山机械、工业加工、冷却设备、工程机械、农业机械。

应用领域

相关产品

国瑞液压,设计制造高品质液压元件,提供系统解决方案。

在线留言

敬请填写以下信息,我们的服务团队将在24小时内,为您提供一对一专业服务。