Tel:400-188-1986

Product

4PF Gear Pump

PDF Download

GRH has nine groups of gear pump series with a displacement range of 0.16-199cc/r, which can meet the needs of most popular working conditions.

• Displacement range: 66-199cc/r, single to multiple

• Axial clearance automatic compensation function

• Precision machining

• Reliable quality and stable performance

Specification

Model Displacement

(ml/r)

Pressure(bar) Speed(r/min) L (mm) L1 (mm)
Rated Max Rated Max Min
4PF66F161S68L 66 210 250 1800 2200 600 197.3 121
4PF83F161S68L 83 210 250 1800 2200 600 203.5 124.1
4PF91F161S68L 91 210 250 1800 2200 600 207.3 126
4PF99F161S68L 99 210 250 1800 2200 600 209.8 127.2
4PF116F161S68L 116 210 250 1800 2200 600 217.3 130.9
4PF132F161S68L 132 210 250 1800 2200 600 222.6 133.5
4PF145F161S68L 145 210 250 1800 2200 600 227.8 136.1
4PF149F161S68L 149 210 250 1800 2200 600 229.3 136.8
4PF166F161S68L 166 210 250 1800 2200 600 235.3 139.8
4PF182F161S68L 182 180 210 1800 2200 600 241.3 142.8
4PF199F161S68L 199 180 210 1800 2200 600 248.3 146.3

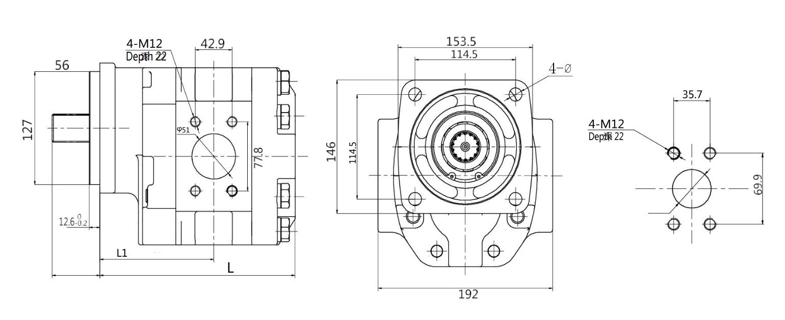
Dimensions

The 4PF series are cast iron pumps. The material of the cast iron determines that the pumps of this series can work in harsher environments and have better pressure resistance. This series of pumps are mainly used for trucks such as dumper and tipper.

Application

Related Products

GRH,design and manufacture high-quality hydraulic components and system solutions.

Online Message

Please fill in the information below.Our service team will provide one-to-one professional service to you within 24 hours.