Tel:400-188-1986

Product

3.5EPF Gear Pump

PDF Download

GRH has nine groups of gear pump series with a displacement range of 0.16-199cc/r, which can meet the needs of most popular working conditions.

Displacement : 52-115cc/r, single to multiple

Axial clearance automatic compensation function

Precision

Reliable quality and stable performance

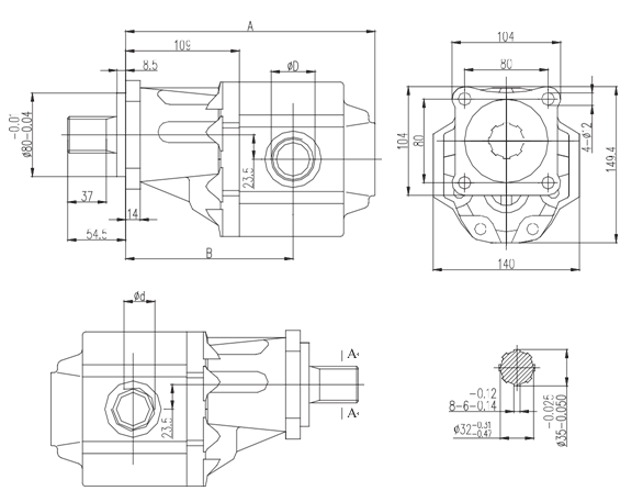
Specification

Mode Displacement

(ml/r)

Pressure(bar) Speed(r/min) A B D d (mm)
Rated Max Rated Max Min (mm) (mm) (mm)
3.5EPF82L00H27B 82 210 300 2000 3000 300 233 157.5 G1 G1
3.5EPF95L99H27B 95 210 300 2000 3000 300 239 160.5 G1-1/4 G1-1/4

Dimensions

The 3.5PF series are cast iron pumps. The material of the cast iron determines that the pumps of this series can work in harsher environments and have better pressure resistance. This series of pumps are mainly used for trucks such as dumper and tipper trailer.

Application

Related Products

GRH,design and manufacture high-quality hydraulic components and system solutions.

Online Message

Please fill in the information below.Our service team will provide one-to-one professional service to you within 24 hours.